新聞資訊
/行業新聞

開關電源模塊由于其開關管工作于高頻開關狀態,輸出的紋波噪聲較大,一般為輸出電壓的1%左右,低的為輸出電壓的0.5%左右,最好產品的紋波噪聲也有幾十mV。而線性電源的調整管工作于線性狀態,無紋波電壓,輸出的噪聲較小,其單位是μV。下面談下如何減少電源模塊的紋波噪音。 1、減少EMI干擾 可以采用金屬外殼做屏蔽,減小外界電磁輻射干擾。減少從電源線輸入的電磁干擾,可以在電源輸入端加EMI濾波器。 …

工業自動化的推進,帶動了一系列自動化設備產業的發展,為我國制造業的大規模生產轉型奠定堅實的基礎,造就了工控機、PLC、工業機器人等自動化設備市場的快速增長。伴隨著工業自動化與工業設備市場增長,而為工業制造提供樞紐動力的電源模塊,產能也在不斷提高。面對種種機遇與挑戰,工業電源模塊需要面對哪些技術挑戰?業內人士如何看待市場發展的變化? 2017年工業自動化設備市場占據了全球自動化設備市場37.1%…

模塊電源主要分為AC-DC和DC-DC兩種。對于AC-DC模塊電源,無論是網絡上還是實際電源設計上都有不少的探討,反倒是DC-DC模塊電源的相關資料較少。本文對DC-DC模塊電源拓撲電路進行梳理,是一篇基礎的電源知識類文章。 這里說的DC-DC模塊電源指工業、軌道交通、通信、軍事等領域用的嵌入式模塊電源,這類電源追求的是高功率密度、高效率及高可靠性。就目前而言,對成本雖有要求,但遠沒有常規的A…

AC/DC模塊電源中輸入電壓首先經過干擾濾波,通過橋式整流器變成直流,再通過電解電容器進行波形平滑,然后進入直流-直流轉換器。輸入浪涌電流就是在對這個電解電容器進行初始充電時產生的,沖擊電流的大小由很多因素決定,如輸入電壓大小、輸入電線阻抗、電源內部輸入電感及等效阻抗、輸入電容等效串連阻抗等。 這些參數根據不同的電源系統和布局不同而不同,很難進行估算,最精確的方法是在實際應用中測量…

開關電源的輸入一般有濾波器來減小電源反饋到輸入的紋波,輸入濾波器一般有電容和電感組成π形濾波器,輸入分別有AC/DC電源模塊輸入電路和DC/DC電源模塊輸入電路倆種。 由于電容器在瞬態時可以看成是短路的,當開關電源上電時,會產生非常大的沖擊電流。沖擊電流的幅度要比穩態工作電流大很多,如對沖擊電流不加以限制,不但會燒壞保險絲,燒毀接插件,還會由于共同輸入阻抗而干擾附近的電器設備。下面談下倆種限制…

DC/DC電源簡單理解為進行輸入輸出電壓轉換的電路。常見的DC/DC電源主要分為車載、通訊、工業和消費電子等,前者的使用電壓一般為48V、36V、24V等,后者的使用電壓一般在24V以下。不同應用領域的使用電壓都會有所不同,如PC中常用的是12V、5V、3.3V,模擬電路常用5V、15V,數字電路常用3.3V等,現在的FPGA、DSP還用2V以下的電壓,諸如1.8V、1.5V、1.2V等。 D…

拓撲是什么?在開關電源中,存在著各種元器件,他們的連接或相互關系是一種網絡,我們把這種元器件的特定連接關系稱為拓撲。 提高工業ac-dc電源可靠性的關鍵在于降低功率元件的熱、電壓和電流應力,這主要是輸入電壓和所需功率的函數。雖然熱應力是額定功率的函數,但電源效率也起著重要作用。因此,可選擇有助于減輕這些應力的拓撲,下面探索下拓撲結構對工業ac-dc電源可靠性的影響。 在一個94.5%效率、5…

ACDC開關電源適配器由PCB板、變壓器、控制IC、電感、電容以及外殼等組成,分為插墻式和桌面式倆種,是一種小型便攜式電子設備及電子電器的供電電源轉換設備。 ACDC開關電源適配器的優點: 1、體積小、重量輕。ACDC開關電源適配器沒有采用笨重的工頻變壓器,由于開關MOS管上的耗散功率大幅度降低后,省去了較大的散熱片。 2、功耗小、效率高。ACDC開關電源適配器電路中,開關MOS管在激勵信號…

電子工程師常在設計產品時,部分想通過分立式元器件自行搭建,其認為電源方案不就那幾個物料,都知道物料型號,并且知道它們的單價,而模塊電源的價格相對于物料的成本就顯得較為昂貴。下面把電源設計開發方案和模塊電源方案做下對比,看下差別在哪里。 1、在產品性能需求明確后,要做電路設計和電源方案的選擇。如:設計開發一個市電交流輸入轉直流輸出的,很多人第一時間想到采用工頻變換電路方案,因為方案簡單,只需一個…

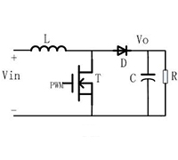
1、正激式電源模塊輸出電壓的瞬態控制特性相對來說比較好 正激式開關電源正好是在變壓器的初級線圈被直流電壓激勵時,變壓器的次級線圈向負載提供功率輸出,并且輸出電壓的幅度是基本穩定的。此時盡管輸出功率不停地變化,但輸出電壓的幅度基本還是不變,這說明正激式開關電源輸出電壓的瞬態控制特性相對來說比較好。只有在控制開關處于關斷期間,功率輸出才全部由儲能電感和儲能電容兩者同時提供,此時輸出電壓雖然受負載電流…